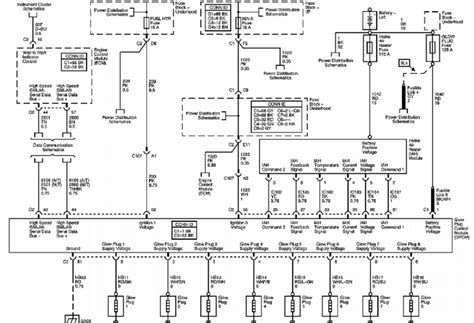
lbz glow plug circuit code at x28b9503.blogspot.com

lbz glow plug circuit code

lbz glow plug circuit code

lbz glow plug circuit code. There are any references about lbz glow plug circuit code in here. you can look below.

Showing posts matching the search for lbz glow plug circuit code